OEM SMPM hermetiskt förseglad anslutning Supplier

Ningbo Hanson Communication Technology Co., Ltd. Hem / Produkter / Hermetiskt förseglad serie / SMPM hermetiskt förseglad anslutning

SMPM hermetiskt förseglad anslutning

Beskrivning:

SMPM (SubMiniature Push-on Micro) förseglad kontakt är en miniatyriserad RF-kontakt med full escapement, semi-escapement och lätt hål, designad för högfrekventa, kompakta utrymmen och lätta applikationer. Det är en push-on-kontakt som vanligtvis används i kommunikations- och elektronisk utrustning som kräver låg vikt, hög tillförlitlighet och liten storlek. SMPM-kontakter har hög signalöverföringskvalitet och kan ge bra elektrisk prestanda.

Fråga

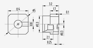
Grundläggande struktur:
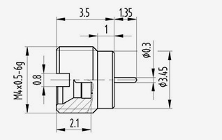
SMPM-J-typ lufttät RF-koaxialkontakt består av tre delar: yttre ledare, glasmedium och inre ledare, den grundläggande strukturen visas i figuren nedan:

Huvudsakliga tekniska parametrar:

Elektriska egenskaper
Karakteristisk impedans 50Ω Frekvensintervall DC~40GHz
Dielektrisk motståndsspänning 500 Vrms Isolationsmotstånd 2000 miljoner Ω
Spänning VSWR <1,4 Insättningsförlust ≤0,05 √f dB(GHz)
Material och mekaniska, miljömässiga egenskaper
Hölje Lavbar legering/guldpläterad Pins Lavbar legering/guldpläterad
Isoleringsmedium Glas Kopplingshållbarhet Full Escapement 100 gånger
Läckagehastighet ≤1,01325×10 Pa ·m³/s optiskt hål 1000 gånger
Driftstemperatur -65℃~165℃

Gränssnittsstorlek:
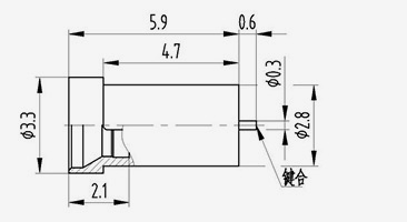
SMPM-J-typ lufttätade RF-koaxialkontakter har två gränssnittsformer: full escapement och blankt hål. Vid namngivning av modellen indikerar F full escapement och
S betyder ljushål. Gränssnittsdimensionerna är uppdelade i standardgränssnittsdimensioner och korta gränssnittsdimensioner, som båda är sammanlänkade med pluggar av SMPM-K-typ.
Standardgränssnittsstorlek:

Korta gränssnittsmått:

SMPM SERIES
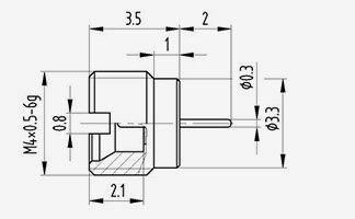
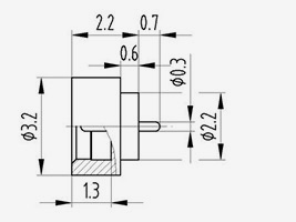
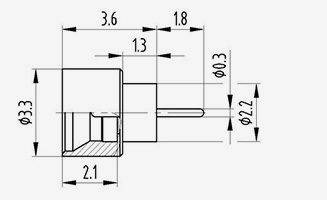
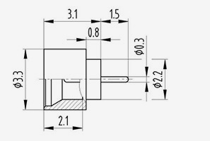
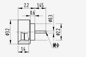
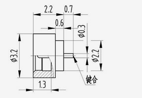
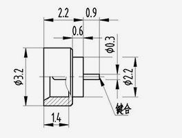
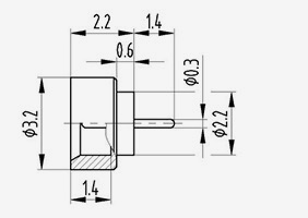
  • SMPM(M)-JYD3S
    SMPM(M)-JYD3S
    Modell Anmärkningar
    SMPM(M)-JYD3S Slät borrning
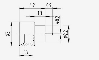
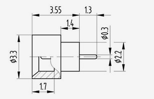
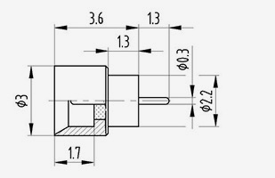
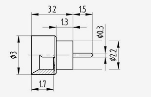
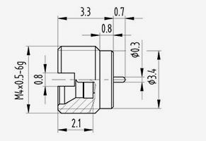
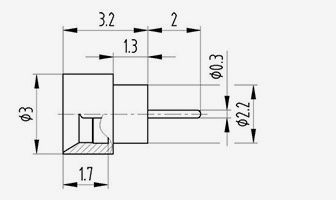
  • SMPM(M)-JYD5S
    SMPM(M)-JYD5S
    Modell Anmärkningar
    SMPM(M)-JYD5S Slät borrning
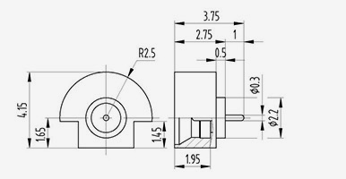
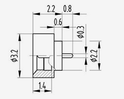
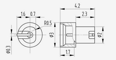
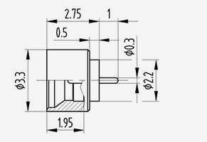
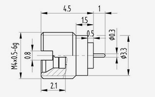
  • SMPM(M)-JYD8F
    SMPM(M)-JYD8F
    Modell Anmärkningar
    SMPM(M)-JYD8F Full spärr
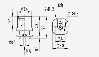
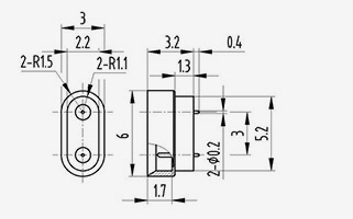
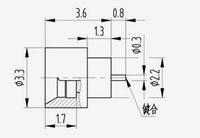
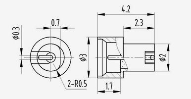
  • SMPM(M)-JYD10F
    SMPM(M)-JYD10F
    Modell Anmärkningar
    SMPM(M)-JYD10F Full spärr
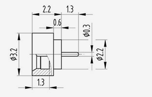
  • SMPM(M)-JYD12S
    SMPM(M)-JYD12S
    Modell Anmärkningar
    SMPM(M)-JYD12S Slät borrning
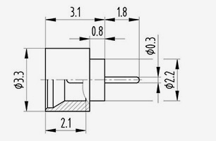
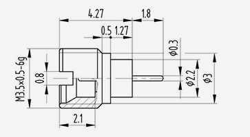
  • SMPM(M)-JYD13F
    SMPM(M)-JYD13F
    Modell Anmärkningar
    SMPM(M)-JYD13F Full spärr
  • SMPM(M)-JYD14F
    SMPM(M)-JYD14F
    Modell Anmärkningar
    SMPM(M)-JYD14F Full spärr
  • SMPM(M)-JYD15F
    SMPM(M)-JYD15F
    Modell Anmärkningar
    SMPM(M)-JYD15F Full spärr
  • SMPM(M)-JYD16S
    SMPM(M)-JYD16S
    Modell Anmärkningar
    SMPM(M)-JYD16S Slät borrning
  • SMPM(M)-JYD17S
    SMPM(M)-JYD17S
    Modell Anmärkningar
    SMPM(M)-JYD17S Slät borrning
  • SMPM(M)-JYD18S
    SMPM(M)-JYD18S
    Modell Anmärkningar
    SMPM(M)-JYD18S Slät borrning
  • SMPM(M)-JYD19S
    SMPM(M)-JYD19S
    Modell Anmärkningar
    SMPM(M)-JYD19S Slät borrning
  • SMPM(M)-JYD20F
    SMPM(M)-JYD20F
    Modell Anmärkningar
    SMPM(M)-JYD20F Full spärr
  • SMPM(M)-JYD21S
    SMPM(M)-JYD21S
    Modell Anmärkningar
    SMPM(M)-JYD21S Slät borrning
  • SMPM(M)-JYD22F
    SMPM(M)-JYD22F
    Modell Anmärkningar
    SMPM(M)-JYD22F Full spärr
  • SMPM(M)-JYD23S
    SMPM(M)-JYD23S
    Modell Anmärkningar
    SMPM(M)-JYD23S Slät borrning
  • SMPM(M)-JYD24F
    SMPM(M)-JYD24F
    Modell Anmärkningar
    SMPM(M)-JYD24F Full spärr
  • SMPM(M)-JYD25F
    SMPM(M)-JYD25F
    Modell Anmärkningar
    SMPM(M)-JYD25F Full spärr
  • SMPM(M)-JYD26F
    SMPM(M)-JYD26F
    Modell Anmärkningar
    SMPM(M)-JYD26F Full spärr
  • SMPM(M)-JYD27S
    SMPM(M)-JYD27S
    Modell Anmärkningar
    SMPM(M)-JYD27S Slät borrning
  • SMPM(M)-JYD28S
    SMPM(M)-JYD28S
    Modell Anmärkningar
    SMPM(M)-JYD28S Slät borrning
  • SMPM(M)-JYD29F
    SMPM(M)-JYD29F
    Modell Anmärkningar
    SMPM(M)-JYD29F Full spärr
  • SMPM(M)-JYD30S
    SMPM(M)-JYD30S
    Modell Anmärkningar
    SMPM(M)-JYD30S Slät borrning
  • SMPM(M)-JYD31F
    SMPM(M)-JYD31F
    Modell Anmärkningar
    SMPM(M)-JYD31F Full spärr
  • SMPM(M)-JYD32F
    SMPM(M)-JYD32F
    Modell Anmärkningar
    SMPM(M)-JYD32F Full spärr
  • SMPM(M)-JYD33S
    SMPM(M)-JYD33S
    Modell Anmärkningar
    SMPM(M)-JYD33S Slät borrning
  • SMPM(M)-JYD34S
    SMPM(M)-JYD34S
    Modell Anmärkningar
    SMPM(M)-JYD34S Slät borrning
  • SMPM(M)-JYD35S
    SMPM(M)-JYD35S
    Modell Anmärkningar
    SMPM(M)-JYD35S Slät borrning
  • SMPM(M)-JYD36S
    SMPM(M)-JYD36S
    Modell Anmärkningar
    SMPM(M)-JYD36S Slät borrning
  • SMPM(M)-JYD37S
    SMPM(M)-JYD37S
    Modell Anmärkningar
    SMPM(M)-JYD37S Slät borrning
  • SMPM(M)-JYD38S
    SMPM(M)-JYD38S
    Modell Anmärkningar
    SMPM(M)-JYD38S Slät borrning
  • SMPM(M)-JYD39S
    SMPM(M)-JYD39S
    Modell Anmärkningar
    SMPM(M)-JYD39S Slät borrning
  • SMPM(M)-JYD41S
    SMPM(M)-JYD41S
    Modell Anmärkningar
    SMPM(M)-JYD41S Slät borrning
  • SMPM(M)-JYD42S
    SMPM(M)-JYD42S
    Modell Anmärkningar
    SMPM(M)-JYD42S Slät borrning
  • SMPM(M)-JYD43F
    SMPM(M)-JYD43F
    Modell Anmärkningar
    SMPM(M)-JYD43F Full spärr
  • SMPM(M)-JYD44F
    SMPM(M)-JYD44F
    Modell Anmärkningar
    SMPM(M)-JYD44F Full spärr
  • SMPM(M)-JYD45S
    SMPM(M)-JYD45S
    Modell Anmärkningar
    SMPM(M)-JYD45S Slät borrning
  • SMPM(M)-JYD46S
    SMPM(M)-JYD46S
    Modell Anmärkningar
    SMPM(M)-JYD46S Slät borrning
  • SMPM(M)-JYD60F
    SMPM(M)-JYD60F
    Modell Anmärkningar
    SMPM(M)-JYD60F Full spärr
  • SMPM(M)-JYD61F
    SMPM(M)-JYD61F
    Modell Anmärkningar
    SMPM(M)-JYD61F Full spärr
  • SMPM(M)-JYD62F
    SMPM(M)-JYD62F
    Modell Anmärkningar
    SMPM(M)-JYD62F Full spärr
  • SMPM(M)-JYD63S
    SMPM(M)-JYD63S
    Modell Anmärkningar
    SMPM(M)-JYD63S Slät borrning
  • SMPM(M)-JYD64S
    SMPM(M)-JYD64S
    Modell Anmärkningar
    SMPM(M)-JYD64S Slät borrning
  • SMPM(M)-JYD65S
    SMPM(M)-JYD65S
    Modell Anmärkningar
    SMPM(M)-JYD65S Slät borrning
  • SMPM(M)-JYD66S
    SMPM(M)-JYD66S
    Modell Anmärkningar
    SMPM(M)-JYD66S Slät borrning
  • SMPM(M)-JHD1S
    SMPM(M)-JHD1S
    Modell Anmärkningar
    SMPM(M)-JHD1S Slät borrning
  • SMPM(M)-JHD2F
    SMPM(M)-JHD2F
    Modell Anmärkningar
    SMPM(M)-JHD2F Full spärr
  • SMPM(M)-JHD3F
    SMPM(M)-JHD3F
    Modell Anmärkningar
    SMPM(M)-JHD3F Full spärr
  • SMPM(M)-JHD4F
    SMPM(M)-JHD4F
    Modell Anmärkningar
    SMPM(M)-JHD4F Full spärr
  • SMPM(M)-JHD6F
    SMPM(M)-JHD6F
    Modell Anmärkningar
    SMPM(M)-JHD6F Full spärr
  • SMPM(M)-JHD21F
    SMPM(M)-JHD21F
    Modell Anmärkningar
    SMPM(M)-JHD21F Full spärr
  • SMPM(M)-JFD1S
    SMPM(M)-JFD1S
    Modell Anmärkningar
    SMPM(M)-JFD1S Slät borrning
  • SMPM(M)-JWSD1S
    SMPM(M)-JWSD1S
    Modell Anmärkningar
    SMPM(M)-JWSD1S Slät borrning
  • SMPM(M)-JWSD8
    SMPM(M)-JWSD8
    Modell Anmärkningar
    SMPM(M)-JWSD8
  • SMPM(M)-JWSD9S
    SMPM(M)-JWSD9S
    Modell Anmärkningar
    SMPM(M)-JWSD9S Slät borrning
  • SMPM(M)-JWSD10S
    SMPM(M)-JWSD10S
    Modell Anmärkningar
    SMPM(M)-JWSD10S Slät borrning
  • SMPM(M)-JSD1S
    SMPM(M)-JSD1S
    Modell Anmärkningar
    SMPM(M)-JSD1S Slät borrning

HÅLL KONTAKT

SKICKA
Om oss
Ningbo Hanson Communication Technology Co., Ltd.
Ningbo Hanson Communication Technology Co., Ltd.
Ningbo Hanson Communication Technology Co., Ltd. is China SMPM hermetiskt förseglad anslutning Supplier and Custom SMPM hermetiskt förseglad anslutning Company. We are a manufacturer specializing in the production, processing, and trade of communication components, with more than 30 years of experience in RF coaxial connectors, adapters, and cable assemblies. Företaget har nu utvecklat en egen bearbetningsverkstad, galvaniseringsverkstad, monteringsverkstad och en grupp stabila och pålitliga leverantörer. Företagets syfte är att förse kunderna med produkter av hög kvalitet. De viktigaste produkterna är RF-koaxialkontakter, adaptrar, högfrekvenskabelenheter och kabelenheter med låg intermodulation. Dessutom kan företaget även tillhandahålla tjänster till kunder med anpassade behov för att möta kundernas speciella krav på produkter. Företagets produkter används i stor utsträckning inom flyg-, kommunikationsbasstationer, medicinsk utrustning och andra högteknologiska områden. Vid tidpunkten för företagsreformer, innovation, utveckling och tillväxt tog företaget initiativet att gå med i det internationella kvalitetsledningssystemet ISO9001 och förbättrade kontinuerligt ledningsnivån för att tillhandahålla mer tillfredsställande produkter och tjänster till nya och gamla kunder.
Senaste nyheterna
Letar du efter affärsmöjlighet?

Begär ett samtal idag