OEM RF glasisolator Supplier

Ningbo Hanson Communication Technology Co., Ltd. Hem / Produkter / Hermetiskt förseglad serie / RF glasisolator

RF glasisolator

Beskrivning:

Glasisolatorer använder en glassintringsstruktur med god tätningsprestanda. De kan användas med millimetervågskontakter som SMA och 2.92, och kan även användas direkt mellan PCB-kort, mallar och mallar och komponenter. Den använder glas (dielektricitetskonstant är cirka 4,0) som isoleringsmaterial, och de inre och yttre ledarna är gjorda av Kovar-legeringsmaterial. Efter högtemperatursintring är ytan nickelpläterad med guld. Glasisolatorer har fördelarna med liten storlek, låg vikt, lufttäthet och hög tillförlitlighet. De används mest vid tillfällen med tätningskrav eller krav på produktvolym och vikt. De är lämpliga för intensiv installation. Den inre ledaren kan anslutas på en mängd olika sätt, såsom plug-in, ytmontering, svetsning och guldtrådsbindning.

Fråga

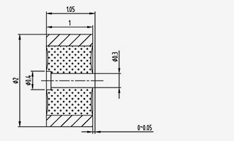
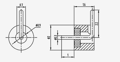
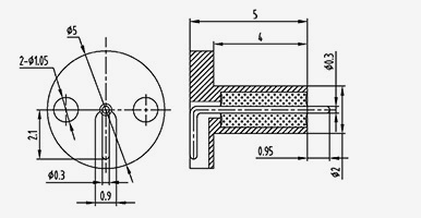
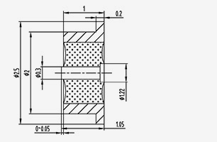
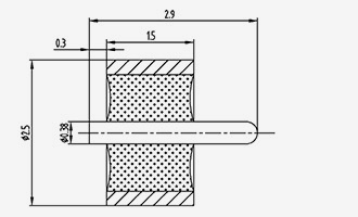
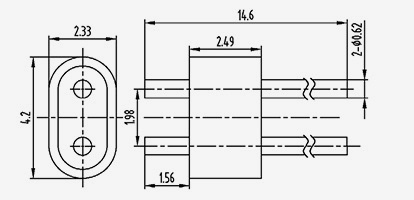
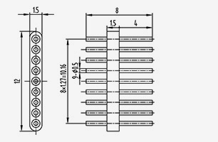
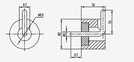
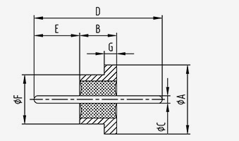
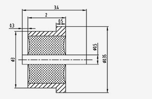
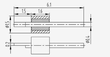
Grundläggande struktur:
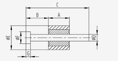
Glasisolator består vanligtvis av tre delar: yttre ledare, glasmedium och inre ledare, och dess grundläggande struktur visas i följande figur.

Tekniska specifikationer och tillförlitlighetstester:

Elektriska egenskaper
Karakteristisk impedans 50Ω eller annat Frekvensintervall DC~65GHz
Dielektrisk motståndsspänning ≥500V Isolationsmotstånd ≥5000M Ω
Kontaktmotstånd Innerledare≤3m Ω Spänning VSWR (50Ω) ≤ 1,05 0,008f ( f: GHz)
Ytterledare ≤2m Ω RF-insättningsförlust (50Ω) ≤0,05 √ f (f: GHz)
Material och mekaniska, miljömässiga egenskaper
Yttre ledare Delegerbara legeringar Luftläckagehastighet 1,01*10 -9 Pa.m 3 /S
Inre ledare Nedbrytbara legeringar Driftstemperatur -65 ~165
Isoleringsmedium Glas

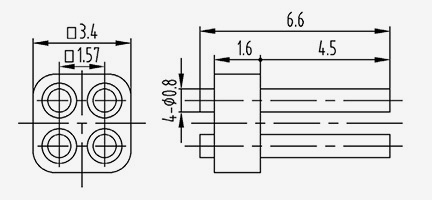
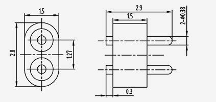
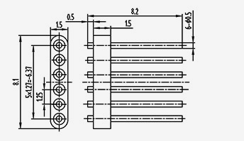
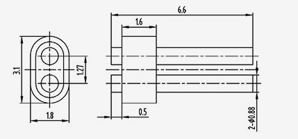
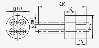
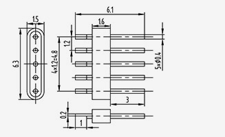
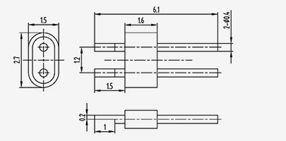
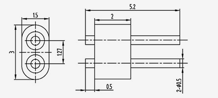
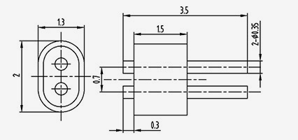
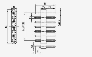
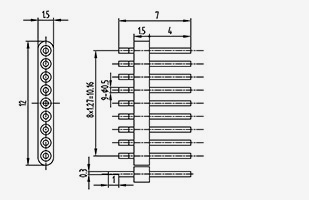
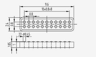
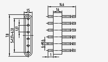
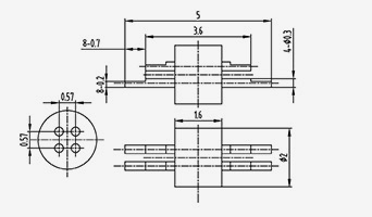
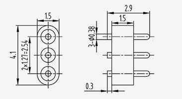
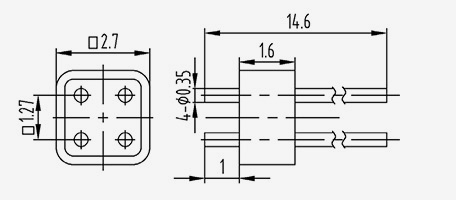
Rekommenderade monteringsmått för glasisolatorer
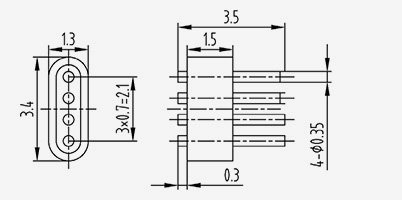
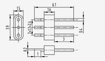
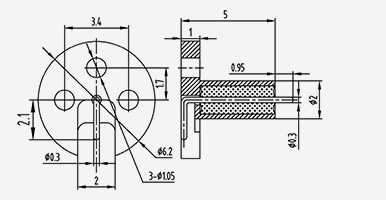
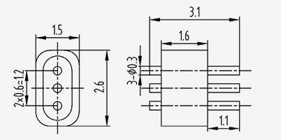
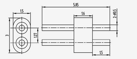
De rekommenderade installationsöppningsmåtten för enkärniga glasisolatorer visas nedan:

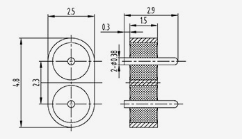
De rekommenderade monteringsöppningsmåtten för flerkärniga glasisolatorer visas nedan:

Test av elektrisk prestanda för glasisolator:
50 ohm karakteristiska impedansglasisolatorer med standard SMA, 2,92, 2,4 mm vågkontakter kopplade i båda ändar för elektrisk prestandatestning.

RF SERIES
  • 50Ω karakteristisk impedans-enkärna runt huvud
    50Ω karakteristisk impedans-enkärna runt huvud
    Modell Storlek (mm)
    A B C D E
    HS1710-0,23(2,8-0,3) 1.73 1 0.23 2.8 0.3
    HS1710-0,23(6,2-2,7) 1.73 1 0.23 6.2 2.7
    HS1710A 1.73 1 0.23 3 1
    HS1714-0,23(2-0,3) 1.73 1.4 0.23 2 0.3
    V1714-0,23(2,69-0,5) 1.73 1.4 0.23 2.7 0.5
    V1714-0,23(3,9-1,7) 1.73 1.4 0.23 3.9 1.7
    V1714-0,23(4,5-1,7) 1.73 1.4 0.23 4.5 1.7
    HS1714-0,23(3-1,1) 1.73 1.4 0.23 3 1.1
    HSI714E 1.73 1.4 0.23 2.9 1
    HS1714F 1.73 1.4 0.23 2.79 0.9
    HS1715-0,23(3,2-0,8) 1.73 1.5 0.23 3.2 0.8
    HS1716A 1.73 1.65 0.23 3.4 1
    V1719-0,23(5,0-1,7) 1.73 1.9 0.23 5 1.7
    V1720-0,23(3,3-0,5) 1.73 2 0.23 3.3 0.5
    HS1720-0,23(3,7-1,2) 1.73 2 0.23 3.7 1.2
    V1720-0,23(4,0-1,0) 1.73 2 0.23 4 1
    HS1720-0,23(6-2) 1.73 2 0.23 6 2
    V1724-0,23(3,7-0,5) 1.73 2.4 0.23 3.7 0.5
    HS1724-0,23(4,5-1,7) 1.73 2.4 0.23 4.5 1.7
  • 50Ω karakteristisk impedans-enkärna runt huvud
    50Ω karakteristisk impedans-enkärna runt huvud
    Modell Storlek (mm)
    A B C D E
    V1727-0,23(4,0-0,5) 1.73 2.7 0.23 4 0.5
    HS1727A 1.73 2.7 0.23 4.7 1
    HS1728-0,23(4-0,5) 1.73 2.8 0.23 4 0.5
    HS1730-0,23(4,3-0,5) 1.73 3 0.23 4.3 0.5
    V1730-0,23(5,0-1,0) 1.73 3 0.23 5 1
    HS1734-0.23-01 1.73 3.4 0.23 5.2 1
    HS1744-0.23-01 1.73 4.4 0.23 6.2 1
    HS1749-0,23(8,9-2,0) 1.73 4.9 0.23 8.9 2
    HS1751A 1.73 5.1 0.23 5.9 0.4
    HS1756-0,23(6,6-0,5) 1.73 5.6 0.23 6.6 0.5
    HS1914-0,3(2,55-0,35) 1.9 1.4 0.3 2.55 0.35
    HS1914-0.3(3.2-1.1) 1.9 1.4 0.3 3.2 1.1
    HS1914C 1.9 1.4 0.3 3.6 0.7
    HS1914-0.3(4.4-2) 1.9 1.4 0.3 4.4 2
    HS1914-0.3(3.2-1.1) 1.9 1.4 0.3 3.2 1.1
    HS1914-0,3(3,8-1,2) 1.9 1.4 0.3 3.8 1.2
    HS1914-0.3(4.4-2) 1.9 1.4 0.3 4.4 2
    HS1916-0,3(4,7-0,8) 1.9 1.6 0.3 4.7 0.8
    HS1916B 1.9 1.6 0.3 4.9 0.8
  • 50Ω karakteristisk impedans-enkärna runt huvud
    50Ω karakteristisk impedans-enkärna runt huvud
    Modell Storlek (mm)
    A B C D E
    HS1917-0,3(3,45-1) 1.9 1.75 0.3 3.45 1
    HS1918-0,3(5,8-2) 1.9 1.8 0.3 5.8 2
    HS1918-0,3(7,8-4,2) 1.9 1.8 0.3 7.8 4.2
    HS1918-0,3(3,5-1) 1.95 1.8 0.3 3.5 1
    HS1934-0,3(4,6-0,4) 1.9 3.4 0.3 4.6 0.4
    HS2006-0.3(3.2-2) 2 0.6 0.3 3.2 2
    HS2008-0,3(1,32-0,26) 2 0.8 0.3 1.32 0.26
    HS2008F 2 0.8 0.3 1.7 0.45
    HS2008-0,3(1,8-0,3) 2 0.8 0.3 1.8 0.3
    HS2008-0.3(2.8-1.0) 2 0.8 0.3 2.8 1
    HS2008-0.3(3.0-1.5) 2 0.8 0.3 3 1.5
    HS2008-0,3(3,4-0,8) 2 0.8 0.3 3.4 0.8
    HS2008-0.3(3.6-1.2) 2 0.8 0.3 3.6 1.2
    HS2008-0.3(5.4-2.6) 2 0.8 0.3 5.4 2.6
    HS2008-0.3(6-2.6) 2 0.8 0.3 6 2.6
    HS2010-0.3(2.1-0.7) 2 1 0.3 2.1 0.7
    HS2010-0.3(2.5-1) 2 1 0.3 2.5 1
    HS2010-0.3(3.2-1.2) 2 1 0.3 3.2 1.2
    HS2011-0.3(2.1-0.5) 2 1.1 0.3 2.1 0.5
  • 50Ω karakteristisk impedans-enkärna runt huvud
    50Ω karakteristisk impedans-enkärna runt huvud
    Modell Storlek (mm)
    A B C D E
    HS2012A 2 1.2 0.3 3.5 1.2
    HS2012-0.3(6-1.8) 2 1.2 0.3 6 1.8
    HS2012-0,3(6,7-1,5) 2 1.2 0.3 6.7 1.5
    HS2013-0.3(2.3-0.5) 2 1.3 0.3 2.3 0.5
    HS2014-0,3(1,92-0,26) 2 1.4 0.3 1.92 0.26
    HS2014-0,3(2,12-0,36) 2 1.4 0.3 2.12 0.36
    HS2014-0,3(2,4-0,5) 2 1.4 0.3 2.4 0.5
    HS2014D 2 1.4 0.3 3.1 0.45
    HS2014-0.3(4.4-1.5) 2 1.4 0.3 4.4 1.5
    HS2014-0.3(4.4-1) 2 1.4 0.3 4.4 1
    HS2014-0,3(4,55-1,5) 2 1.4 0.3 4.55 1.5
    HS2014-0,3(4,65-1,5) 2 1.4 0.3 4.65 1.5
    HS2014-0,3(5,5-1,9) 2 1.4 0.3 5.5 1.9
    HS2014-0,3(5,7-1,8) 2 1.4 0.3 5.7 1.8
    HS2014-0.3(8.0-4.6) 2 1.4 0.3 8 4.6
    HS2014-0.3(8-1.9) 2 1.4 0.3 8 1.9
    HS2015-0,3(3,25-0,75) 2 1.5 0.3 3.25 0.75
    HS2016-0,3(2,7-0,7) 2 1.6 0.3 2.7 0.7
    HS2016-0.3(2.8-0.5) 2 1.6 0.3 2.8 0.5
  • 50Ω karakteristisk impedans-enkärna runt huvud
    50Ω karakteristisk impedans-enkärna runt huvud
    Modell Storlek (mm)
    A B C D E
    HS2016-0.3(3.5-1.2) 2 1.6 0.3 3.5 1.2
    HS2016-0.3(3.6-1) 2 1.6 0.3 3.6 1
    HS2016-0,3(3,9-0,4) 2 1.6 0.3 3.9 0.4
    HS2016E 2 1.6 0.3 3.9 0.6
    HS2016-0.3(4.1-1) 2 1.6 0.3 4.1 1
    HS2016-0,3(4,2-0,8) 2 1.6 0.3 4.2 0.8
    HS2016-0.3(4.6-1.2) 2 1.6 0.3 4.6 1.2
    HS2016-0,3(4,6-1,8) 2 1.6 0.3 4.6 1.8
    Ka2016-0,3(5-2,9) 2 1.6 0.3 5 2.9
    HS2016-0.3(5.2-1.8) 2 1.6 0.3 5.2 1.8
    HS2016-0.3(8.0-4.6) 2 1.6 0.3 8 4.6
    HS2016-0.3(8-1.8) 2 1.6 0.3 8 1.8
    HS2016-0.3(12-2.4) 2 1.6 0.3 12 2.4
    HS2016-0.3(20.4-4.6) 2 1.6 0.3 20.4 4.6
    HS2017-0,3(3,3-0,8) 2 1.7 0.3 3.3 0.8
    HS2017-0.3(8.5-2.0) 2 1.7 0.3 8.5 2
    HS2018-0.3(3.5-1) 2 1.8 0.3 3.5 1
    HS2019-0.3-01 2 1.9 0.3
    HS2020-0.3(3.4-0.4) 2 2 0.3 3.4 0.4
  • 50Ω karakteristisk impedans-enkärna runt huvud
    50Ω karakteristisk impedans-enkärna runt huvud
    Modell Storlek (mm)
    A B C D E
    HS2020-0,3(3,8-0,8) 2 2 0.3 3.8 0.8
    HS2020-0,3(5,6-2,8) 2 2 0.3 5.6 2.8
    HS2020-0,3(5,7-2,9) 2 2 0.3 5.7 2.9
    HS2020-0.3(6-2) 2 2 0.3 6 2
    HS2020-0.3(12-5) 2 2 0.3 12 5
    HS2022F 2 2.2 0.3 3.1 0.45
    HS2022-0,3(3,2-0,7) 2 2.2 0.3 3.2 0.7
    HS2023-0,3(3,35-0,7) 2 2.3 0.3 3.35 0.7
    HS2023-0,3(3,7-0,7) 2 2.3 0.3 3.7 0.7
    HS2025-0,3(4,8-0,9) 2 2.5 0.3 4.8 0.9
    HS2025-0.3(6-1.5) 2 2.5 0.3 6 1.5
    HS2025-0,38(7,4-1,4) 2 2.5 0.38 7.4 1.4
    HS2026.5-0.3-01 2 2.6 5 0.3 0.1
    HS2028-0,3(4,9-0,5) 2 2.8 0.3 4.9 0.5
    HS2029-0,3(4,1-0,8) 2 2.9 0.3 4.1 0.8
    HS2029-0,3(4,9-0,5) 2 2.9 0.3 4.9 0.5
    HS2030-0,3(5,2-1,5) 2 3 0.3 5.2 1.5
    HS2030-0,3(5,8-1) 2 3 0.3 5.8 1
    HS2030-0.3(8-2) 2 3 0.3 8 2
  • 50Ω karakteristisk impedans-enkärna runt huvud
    50Ω karakteristisk impedans-enkärna runt huvud
    Modell Storlek (mm)
    A B C D E
    HS2030-0,3(9-1,5) 2 3 0.3 9 1.5
    HS2034-0,3(4,4-0,7) 2 3.4 0.3 4.4 0.7
    HS2035-0,3(6,6-1,8) 2 3.5 0.3 6.6 1.8
    HS2035-0,3(6,65-1,3) 2 3.5 0.3 6.65 1.3
    HS2035-0,3(7,1-1,3) 2 3.5 0.3 7.1 1.3
    HS2035-0,3(9,5-3) 2 3.5 0.3 9.5 3
    HS2036-0,3(5,7-0,7) 2 3.6 0.3 5.7 0.7
    HS2040A 2 4 0.3 5.1 0.8
    HS2045-0,7(11,5-2) 2 4.5 0.7 11.5 2
    HS2050-0,3(6,4-0,7) 2 5 0.3 6.4 0.7
    HS2507-0,38(2,2-0,3) 2.5 0.7 0.38 2.2 0.3
    HS2508-0,38(1,8-0,3) 2.5 0.8 0.38 1.8 0.3
    HS2508-0,38(2-0,5) 2.5 0.8 0.38 2 0.5
    HS2510-0,38(3,6-1,3 ) 2.5 1 0.38 3.6 1.3
    HS2510-0,38(7-3) 2.5 1 0.38 7 3
    HS2511-0,38(2,4-0,5) 2.5 1.1 0.38 2.4 0.5
    HS2511-0,38(3,7-0,6) 2.5 1.1 0.38 3.7 0.6
    HS2512-0,38(3,1-0,8) 2.5 1.1 0.38 3.7 0.6
    HS4414-0.3(3.2-1.1) 4.4 1.4 0.3 3.2 1.1
  • 50Ω karakteristisk impedans-enkärna runt huvud
    50Ω karakteristisk impedans-enkärna runt huvud
    Modell Storlek (mm)
    A B C D E
    HS2516-0,3(7,5-2,14) 2.5 1.6 0.3 7.5 2.14
    HS2516-0,3(8-1,8) 2.5 1.6 0.3 8 1.8
    HS2516-0,38(3,5-0,7) 2.5 1.6 0.38 3.5 0.7
    HS2516-0,38(4,1-1,25) 2.5 1.6 0.38 4.1 1.25
    HS2516-0,38(4,3-1,2) 2.5 1.6 0.38 4.3 1.2
    Ka2511-0,38(2,7-1,0) 2.5 1.1 0.38 2.7 1
    Ka2516-0,38(2,9-0,3) 2.5 1.6 0.38 2.9 0.3
    K2516-0,38(4-1,5) 2.5 1.6 0.38 4 1.5
    HS2516-0,38(4,5-1,2) 2.5 1.6 0.38 4.5 1.2
    HS2516-0,38(4,6-1) 2.5 1.6 0.38 4.6 1
    HS2516E 2.5 1.6 0.38 4.6 1.5
    HS2516G 2.5 1.6 0.38 4.6 1.5
    HS2516-0,38(4,8-1,2) 2.5 1.6 0.38 4.8 1.2
    HS2516-0,38(4,9-1,5) 2.5 1.6 0.38 4.9 1.5
    HS2516-0,38(5,1-1,6) 2.5 1.6 0.38 5.1 1.6
    HS2516-0,38(5,3-1,2) 2.5 1.6 0.38 5.3 1.2
    Ka2516-0,38(5,6-3,0) 2.5 1.6 0.38 5.6 3
    HS2516-0,38(6,1-1,3) 2.5 1.6 0.38 6.1 1.3
    HS2516-0,38(7,1-1,4) 2.5 1.6 0.38 7.1 1.4
  • 50Ω karakteristisk impedans-enkärna runt huvud
    50Ω karakteristisk impedans-enkärna runt huvud
    Modell Storlek (mm)
    A B C D E
    HS2516-0,38(7,41-1,27) 2.5 1.6 0.38 7.41 1.27
    HS2516F 2.5 1.6 0.38 7.45 4.55
    HS2516-0.38-01 2.5 1.6 0.38 7.5 1.3
    HS2516-0,38(8-1,8) 2.5 1.6 0.38 8 1.8
    RF2516-0,38(8-4,6) 2.5 1.6 0.38 8 4.6
    HS2516-0,38(8-5) 2.5 1.6 0.38 8 5
    K2516-0,38(8-1,5) 2.5 1.6 0.38 8 1.5
    K2516-0,38(8-5,9) 2.5 1.6 0.38 8 5.9
    HS2516-0,38(11,6-5) 2.5 1.6 0.38 11.6 5
    HS2516-0,38(12-2,0) 2.5 1.6 0.38 12 2
    HS2520-0,38(6-2) 2.5 2 0.38 6 2
    HS2520-0,38(7,4-1,4) 2.5 2 0.38 7.4 1.4
    HS2520-0,38(7,8-1,4) 2.5 2 0.38 7.8 1.4
    HS2520-0,38(9,0-2,0) 2.5 2 0.38 9 2
    HS2520-0,38(12-5) 2.5 2 0.38 12 5
    HS2520-0,38(15-2) 2.5 2 0.38 15 2
    HS2524-0,38(5,7-1,1) 2.5 2.4 0.38 5.7 1.1
    HS2526-0,38(6,6-2) 2.5 2.6 0.38 6.6 2
    HS2530-0,38(3,6-0,3) 2.5 3 0.38 3.6 0.3
  • 50Ω karakteristisk impedans-enkärna runt huvud
    50Ω karakteristisk impedans-enkärna runt huvud
    Modell Storlek (mm)
    A B C D E
    Ka2530-0,38(4,6-1,0) 2.5 3 0.38 4.6 1
    HS2530A 2.5 3 0.38 5 1
    HS2530-0,38(7,5-1,5) 2.5 3 0.38 7.5 1.5
    HS2530-0,38(8-0,4) 2.5 3 0.38 8 0.4
    HS2530-0,38(8-2) 2.5 3 0.38 8 2
    HS2530-0,38(9-3) 2.5 3 0.38 9 3
    HS2530-0,38(12-2,2) 2.5 3 0.38 12 2.2
    HS2530-0,38(13,9-8,2) 2.5 3 0.38 13.9 8.2
    HS2530-0,38(20-4) 2.5 3 0.38 20 4
    HS2533-0,38(6,5-1,2) 2.5 3.3 0.38 6.5 1.2
    HS2535-0,38(7,5-2) 2.5 3.5 0.38 7.5 2
    HS2537-0,38(7,7-2) 2.5 3.7 0.38 7.7 2
    HS2540-0,38(11-1,8) 2.5 4 0.38 11 1.8
    HS2545-0,38(8-1,3) 2.5 4.5 0.38 8 1.3
    HS2550-0,38(6,9-1,5) 2.5 5 0.38 6.9 1.5
    HS2550-0,38(11-2) 2.5 5 0.38 11 2
    HS2558-0,38(14,8-6) 2.5 5.8 0.38 14.8 6
    HS2575-0,38(12-1,3) 2.5 7.5 0.38 12 1.3
    HS2810-0,45(3,3-0,35) 2.8 1 0.45 3.3 0.35
  • 50Ω karakteristisk impedans-enkärna runt huvud
    50Ω karakteristisk impedans-enkärna runt huvud
    Modell Storlek (mm)
    A B C D E
    HS2815-0,45(5,75-1,25) 2.8 1.5 0.45 5.75 1.25
    HS2816-0,45(4,6-1,5) 2.8 1.6 0.45 4.6 1.5
    HS2816-0,45(4,9-1,8)-R 2.8 1.6 0.45 4.9 1.8
    HS2816-0,45(5,1-1,5) 2.8 1.6 0.45 5.1 1.5
    HS2816-0,45(5,2-1,1) 2.8 1.6 0.45 5.2 1.1
    HS2816-0,45(5,4-2) 2.8 1.6 0.45 5.4 2
    HS2816-0,45(5,6-2) 2.8 1.6 0.45 5.6 2
    HS2816-0,45(6,2-1,8) 2.8 1.6 0.45 6.2 1.8
    HS2816-0,45(8,0-4,6) 2.8 1.6 0.45 8 4.6
    HS2816-0,45(8-1,8) 2.8 1.6 0.45 8 1.8
    HS2816-0,45(11,6-5) 2.8 1.6 0.45 11.6 5
    HS2816-0,45(12-3,0) 2.8 1.6 0.45 12 3
    HS2831-0,45(5,2-1,8) 2.8 3.1 0.45 5.2 1.8
    HS2843-0,45(8,3-2) 2.8 4.3 0.45 8.3 2
    HS3015-0,5(4,3-0,8) 3 1.5 0.5 4.3 0.8
    HS3016-0,5(3,4-0,9) 3 1.6 0.5 3.4 0.9
    HS3016-0,5(4,6-1) 3 1.6 0.5 4.6 1
    HS3016-0,5(4,6-1,5) 3 1.6 0.5 4.6 1.5
    HS3016B 3 1.6 0.38 4.9 1.8
  • 50Ω karakteristisk impedans-enkärna runt huvud
    50Ω karakteristisk impedans-enkärna runt huvud
    Modell Storlek (mm)
    A B C D E
    HS3016-0,5(5,6-2) 3 1.6 0.5 5.6 2
    HS3016C 3 1.6 0.5 6.6 2
    HS3016-0,5(6,6-2,5) 3 1.6 0.5 6.6 2.5
    HS3016-0,5(7,5-2) 3 1.6 0.5 7.5 2
    HS3016-0,5(7,5-3,9) 3 1.6 0.5 7.5 3.9
    HS3016-0,5(7,8-2,0) 3 1.6 0.5 7.8 2
    HS3016-0,5(9,65-3,05) 3 1.6 0.5 9.65 3.05
    HS3016-0.5(12-5.0) 3 1.6 0.5 12 5
    HS3016-0,5(14,3-1,5) 3 1.6 0.5 14.3 1.5
    HS3020-0,5(5-1,8) 3 2 0.5 5 1.8
    HS3020-0,5(6,0-1,5) 3 2 0.5 6 1.5
    HS3020-0,5(6,5-2,2) 3 2 0.5 6.5 2.2
    HS3020-0,5(6,5-2,3) 3 2 0.5 6.5 2.3
    HS3020-0,5(6,8-1,8) 3 2 0.5 6.8 1.8
    HS3020-0,5(7,5-2,2) 3 2 0.5 7.5 2.2
    HS3020-0.5(8-2) 3 2 0.5 8 2
    HS3020-0,5(8,5-2,2) 3 2 0.5 8.5 2.2
    HS3020-0,5(8,5-4,3) 3 2 0.5 8.5 4.3
    HS3020-0.5(10-4) 3 2 0.5 10 4
  • 50Ω karakteristisk impedans-enkärna runt huvud
    50Ω karakteristisk impedans-enkärna runt huvud
    Modell Storlek (mm)
    A B C D E
    HS3020-0,5(10-1,5) 3 2 0.5 10 1.5
    HS3020-0,5(12-4,0) 3 2 0.5 12 4
    HS3020-0,5(12-5,0) 3 2 0.5 12 5
    HS3020-0,5(12-6) 3 2 0.5 12 6
    HS3020-0,5(15-2) 3 2 0.5 15 2
    HS3025-0,5(5,4-1,2) 3 2.5 0.5 5.4 1.2
    HS3030A 3 3 0.38 10 1.5
    HS3030-0,5(6,5-2) 3 3 0.5 6.5 2
    HS3030-0,5(6,6-1,8) 3 3 0.5 6.6 1.8
    HS3030-0,5(7,5-2)-R 3 3 0.5 7.5 2
    HS3030-0,5(8,8-1,8) 3 3 0.5 8.8 1.8
    HS3030-0,5(10-2) 3 3 0.5 10 2
    HS3030-0,5(12-3) 3 3 0.5 12 3
    HS3030-0,5(12-2) 3 3 0.5 12 2
    HS3030-0,5(14-4,0) 3 3 0.5 14 4
    HS3035-0,5(6-1) 3 3.5 0.5 6 1
    HS3035-0,5(11,5-4) 3 3.5 0.5 11.5 4
    HS3040A 3 4 0.5 10.4 4
    HS3042-0,5(9,0-2,2) 3 4.2 0.5 9 2.2
  • 50Ω karakteristisk impedans-enkärna runt huvud
    50Ω karakteristisk impedans-enkärna runt huvud
    Modell Storlek (mm)
    A B C D E
    HS3045-0,5(8,5-2) 3 4.5 0.5 8.5 2
    HS3047-0,5(9,4-2,2) 3 4.7 0.5 9.4 2.2
    HS3047-0,5(12-5,1) 3 4.7 0.5 12 5.1
    HS3050-0,5(9-2) 3 5 0.5 9 2
    HS3052A 3 5.2 0.5 10.3 4
    HS3057-0,5(12,5-3) 3 5.7 0.5 12.5 3
    HS3620-0,5(9-2,5) 3.6 2 0.5 9 2.5
    HS3616-0,6(12,2-1,6) 3.6 1.6 0.6 12.2 1.6
    HS3625-0,6(6,5-2) 3.6 2.5 0.6 6.5 2
    HS2540-0.8(27-5) 2.5 4 0.8 27 5
    HS4030A 4 3 1 10.6 4.6
    HS5010-0,8(5,9-2,45) 5 1 0.8 5.9 2.45
    HS5015-0,8(7,3-4,9) 5 1.5 0.8 7.3 4.9
    HS5016B 5 1.6 0.8 5.6 2
    HS5016-0,8(8,6-3,0) 5 1.6 0.8 8.6 3
    HS5030-0,8(17,2-2) 5 3 0.8 17.2 2
    HS5040-0,8(12-3) 5 4 0.8 12 3
    HS5060-0,8(11,5-2,5) 5 6 0.8 11.5 2.5
    HS5065-0,8(13,7-3) 5 6.5 0.8 13.7 3
  • 50Ω karakteristisk impedans-enkärna runt huvud
    50Ω karakteristisk impedans-enkärna runt huvud
    Modell Storlek (mm)
    A B C D E
    HS5065-0,8(15,5-3) 5 6.5 0.8 15.5 3
    HS5516-0,9(8,3-2,8) 5.5 1.6 0.9 8.3 2.8
    HS5516-0,9(8,5-2,8) 5.5 1.6 0.9 8.5 2.8
    HS5516-0,9(8,7-2,8) 5.5 1.6 0.9 8.7 2.8
    HS5516-0,9(8,9-2,8) 5.5 1.6 0.9 8.9 2.8
    HS5516-0,9(9,1-2,8) 5.5 1.6 0.9 9.1 2.8
    HS5516-0,9(11,9-2,8) 5.5 1.6 0.9 11.9 2.8
    HS5516-0,9(12,6-2) 5.5 1.6 0.9 12.6 2
    HS5516-0,9(13,8-2,8) 5.5 1.6 0.9 13.8 2.8
    HS5525-0,9(9,7-1,6) 5.5 2.5 0.9 9.7 1.6
    HS5525-0,9(16-5) 5.5 2.5 0.9 16 5
    HS5530-0,9(8,8-2,3) 5.5 3 0.9 8.8 2.3
    HS5530-0,9(9,6-2,3) 5.5 3 0.9 9.6 2.3
    HS5530-0,9(13,8-2,8) 5.5 3 0.9 13.8 2.8
    HS5530A 5.5 3 1.35 13.5 7.5
    HS5530B 5.5 3 1.35 13.8 7.8
    HS6016-1.0(8.5-1.5) 6 1.6 1 8.5 1.5
    HS6840-0,9(7-1,5) 6.8 4 0.9 7 1.5
    HS8330-1.3(13-5) 8.3 3 1.3 13 5
  • 50Ω karakteristisk impedans - platt huvud med enkel kärna
    50Ω karakteristisk impedans - platt huvud med enkel kärna
    Modell Storlek (mm)
    A B C D E
    Ka2008-0,3(1,4-0,3) 2 0.8 0.3 1.4 0.3
    HS2008-0,3(1,65-0,35) 2 0.8 0.3 1.65 0.35
    Ka2008-0,3(1,8-0,3) 2 0.8 0.3 1.8 0.3
    HS2010-0,3(1,9-0,35) 2 1 0.3 1.9 0.35
    HS2010-0.3(2-0.5) 2 1 0.3 2 0.5
    HS2010-0,3(2,5-0,5) 2 1 0.3 2.5 0.5
    HS2013-0.3(2.4-0.4) 2 1.3 0.3 2.4 0.4
    HS2014-0,3(2,6-0,4) 2 1.4 0.3 2.6 0.4
    HS2014E 2 1.4 0.3 2.3 0.45
    HS2014F 2 1.4 0.3 2.35 0.5
    HS2016-0.3-01 2 1.6 0.3 3.1 1
    HS2016-0,3(3,3-0,7) 2 1.6 0.3 3.3 0.7
    HS2016-0.3-02 2 1.6 0.3 3.3 1
    HS2016-0.3(5.6-2) 2 1.6 0.3 5.6 2
    HS2019-0,3(3-0,35) 2 1.9 0.3 3 0.35
    HS2020-0.3-02 2 2 0.3 3.5 0.5
    HS2020-0,3(3,6-0,8) 2 2 0.3 3.6 0.8
    HS2030-0.3(4.2-0.7) 2 3 0.3 4.2 0.7
  • 50Ω karakteristisk impedans-enkärna runt huvud
    50Ω karakteristisk impedans-enkärna runt huvud
    Modell Storlek (mm)
    A B C D E
    HS8740-1,38(8,4-3,2) 8.7 4 1.38 8.4 3.2
    HS9430-1.5(9-3) 9.4 3 1.5 9 3
    HS9430-1,5(11-4) 9.4 3 1.5 11 4
    HS9640-1,5(9,2-3,2) 9.6 4 1.5 9.2 3.2
    HS10050-1,7(15-5) 10 5 1.7 15 5
    HS130100-3(18-4) 13 10 3 18 4
  • 50Ω Karakteristisk impedans - Rund spets med enkel kärna
    50Ω Karakteristisk impedans - Rund spets med enkel kärna
    Modell Storlek (mm)
    A B C D E
    HS2330-0,23(5,3-0,3) 2.3 3 0.23 5.3 0.3
    HS2815-0,3(5,2-1,2) 2.8 1.5 0.3 5.2 1.2
    HS2815-0,3(7,2-1,2) 2.8 1.5 0.3 7.2 1.2
    HS2635-0,3(7,1-1,3) 2.6 3.5 0.3 7.1 1.3
    HS3822-0,5(14,4-3,7) 3.8 2.2 0.5 14.4 3.7
    HS3525-0,5(11,5-6) 3.5 2.5 0.5 11.5 6
  • 50Ω karakteristisk impedans - platt huvud med enkel kärna
    50Ω karakteristisk impedans - platt huvud med enkel kärna
    Modell Storlek (mm)
    A B C D E
    HS2516-0,38(5,1-2) 2.5 1.6 0.38 5.1 2
    HS2516-0,38(7,37-4,5) 2.5 1.6 0.38 7.37 4.5
    HS2517-0.38-01 2.5 1.7 0.38 2.7 0.65
    HS2520-0,38(3,2-0,5) 2.5 2 0.38 3.2 0.5
    HS2525-0,38-01 2.5 2.5 0.38 3.65 0.65
    HS2530-0,38(7,5-2,5) 2.5 3 0.38 7.5 2.5
    HS2816-0,45(4,9-1,8) 2.8 1.6 0.45 4.9 1.8
    HS2816-0,45-01 2.8 1.6 0.45 5 3
    HS2816-0,45(6-1,5) 2.8 1.6 0.45 6 1.5
    HS3030-0,5(7,5-2) 3 3 0.5 7.5 2
  • 50Ω karakteristisk impedans - enkelkärnig platt rund spets
    50Ω karakteristisk impedans - enkelkärnig platt rund spets
    Modell Storlek (mm)
    A B C D E
    HS2006-0.3(3.1-1.8) 2 0.6 0.3 3.1 1.8
    HS2010-0.3(3.5-2) 2 1 0.3 3.5 2
    HS2020-0.3-01 2 2 0.3 3.7 0.6
    HS2035-0,3(6,4-1,8) 2 3.5 0.3 6.4 1.8
    HS2816-0,45(11,7-7,6) 2.8 1.6 0.45 11.7 7.6
    HS3020-0,5(10-6,5) 3 2 0.5 10 6.5
    HS3216-0,5(7,1-4) 3.2 1.6 0.5 7.1 4
    HS6448-1.0(10.2-3.5) 6.4 4.8 1 10.2 3.5
  • Ka2032-0,3(4,5-1,3)
    Ka2032-0,3(4,5-1,3)
    Modell
    Ka2032-0,3(4,5-1,3)
  • K2010-0,3(1,05-0,05)
    K2010-0,3(1,05-0,05)
    Modell
    K2010-0,3(1,05-0,05)
  • HS2510-0.3-02
    HS2510-0.3-02
    Modell
    HS2510-0.3-02
  • HS3520-0,5(3,4-0,3)
    HS3520-0,5(3,4-0,3)
    Modell
    HS3520-0,5(3,4-0,3)
  • Ka3216-0,5(5,85-1,5)
    Ka3216-0,5(5,85-1,5)
    Modell
    Ka3216-0,5(5,85-1,5)
  • K2515-0,38(2,9-0,3)
    K2515-0,38(2,9-0,3)
    Modell
    K2515-0,38(2,9-0,3)
  • 2-K482515-0,38(2,9-0,3)
    2-K482515-0,38(2,9-0,3)
    Modell
    2-K482515-0.38(2.9-0.3)
  • KW2016-0,3(0,7-1,6)
    KW2016-0,3(0,7-1,6)
    Modell
    KW2016-0.3(0.7-1.6)
  • KW2016-0.3(1-2.2)
    KW2016-0.3(1-2.2)
    Modell
    KW2016-0.3(1-2.2)
  • KW2025-0.3(1-2.2)
    KW2025-0.3(1-2.2)
    Modell
    KW2025-0.3(1-2.2)
  • JPW2040-0.3-01
    JPW2040-0.3-01
    Modell
    JPW2040-0.3-01
  • KW2018-0,3(0,95-2,1)
    KW2018-0,3(0,95-2,1)
    Modell
    KW2018-0.3(0.95-2.1)
  • Icke-50Ω Karakteristisk impedans-Enkelkärna rund spets
    Icke-50Ω Karakteristisk impedans-Enkelkärna rund spets
    Modell Storlek (mm)
    A B C D E
    JD1515-0,4(5-1,5) 1.5 1.5 0.4 5 5
    JD1615-0,4(8-1,9) 1.6 1.5 0.4 8 8
    JD1616-0,4(30-14,2) 1.6 1.6 0.4 30 30
    JD1614-0,45(11,4-5) 1.6 1.4 0.45 11.4 11.4
    JD1616-0,45(4,65-1,05) 1.6 1.6 0.45 4.65 4.65
    JD1616-0,45(16-4) 1.6 1.6 0.45 16 16
    JD1616-0,45(30-14,2) 1.6 1.6 0.45 30 30
    JD2020-0,45(6,3-3) 2 2 0.45 6.3 6.3
    JD2020-0,45(10-4) 2 2 0.45 10 10
    JD1614-0,5(9-4) 1.6 1.4 0.5 9 9
    JD1616-0,5(30-14,2) 1.6 1.6 0.5 30 30
    JD1619-0,5(5,1-2) 1.6 1.9 0.5 5.1 5.1
    HS2015-0,5(7,5-3) 2 1.5 0.5 7.5 7.5
    JD2016-0,5(12-5,8)-R 2 1.6 0.5 12 12
    HS2018-0,5(9,5-1,5) 2 1.8 0.5 9.5 9.5
    HS2018-0,5(11,5-7,2) 2 1.8 0.5 11.5 11.5
    HS2030-0,5(10-2) 2 3 0.5 10 10
    JD1919-0,6(7,9-1,9)-R 1.9 1.9 0.6 7.9 7.9
  • Icke-50Ω Karakteristisk impedans-Enkelkärna rund spets
    Icke-50Ω Karakteristisk impedans-Enkelkärna rund spets
    Modell Storlek (mm)
    A B C D E
    HS2040-0.6(6-1) 2 4 0.6 6 1
    JD1818-0,7(10-6) 1.8 1.8 0.7 10 6
    JD1818-0,7(22,2-0,4) 1.8 1.8 0.7 22.2 0.4
    HS2016-0,7(4,6-1,5) 2 1.6 0.7 4.6 1.5
    HS2016-0,7(6,3-1,5) 2 1.6 0.7 6.3 1.5
    HS2016-0,7(7,1-1,5)-R 2 1.6 0.7 7.1 1.5
    HS2016-0,7(7,6-1,5) 2 1.6 0.7 7.6 1.5
    HS2016-0,7(9,6-4) 2 1.6 0.7 9.6 4
    K2016-0.7(11-4.6) 2 1.6 0.7 11 4.6
    HS2016-0.7(11.6-5) 2 1.6 0.7 11.6 5
    HS2016-0.7(17-15.1) 2 1.6 0.7 17 15.1
    HS2016-0,7(20-0,3) 2 1.6 0.7 20 0.3
    HS2017-0,7(9,7-3) 2 1.7 0.7 9.7 3
    HS2035-0.7(13-3) 2 3.5 0.7 13 3
    HS2020-0,75(12-4) 2 2 0.75 12 4
    HS2015-0,8(6,5-3) 2 1.5 0.8 6.5 3
    JD2015-0,8(10,5-3) 2 1.5 0.8 10.5 3
    JD2063-0,5(10,3-2) 2 6.3 0.5 10.3 2
  • Icke-50Ω Karakteristisk impedans-Enkelkärna rund spets
    Icke-50Ω Karakteristisk impedans-Enkelkärna rund spets
    Modell Storlek (mm)
    A B C D E
    JD2518-0,8(12,8-5) 2.5 1.8 0.8 12.8 5
    JD2520-0,8(14-4) 2.5 2 0.8 14 4
    JD2540-0,8(10-4) 2.5 4 0.8 10 4
    JD3218-0,8(51,8-20) 3.2 1.8 0.8 51.8 20
    JD2530-0,9(6,6-1,8) 2.5 3 0.9 6.6 1.8
    JD2540A 2.5 4 0.8 10 4
    JD2816-1(6,6-2) 2.8 1.6 1 6.6 2
    K2816-1.0(16-10) 2.8 1.6 1 16 10
    JD3218-1(27-15) 3.2 1.8 1 27 15
    JD3015-1.3(10.2-6.1) 3 1.5 1.3 10.2 6.1
    JD3015-1,3(10,5-3) 3 1.5 1.3 10.5 3
    JD3430-1,4(10,5-4,5) 3.4 3 1.4 10.5 4.5
    JD12940-1,7(10-3) 12.9 4 1.7 10 3
    JD3916-2(6,6-2) 3.9 1.6 2 6.6 2
  • Icke-50Ω karakteristisk impedans-enkärna platt huvud
    Icke-50Ω karakteristisk impedans-enkärna platt huvud
    Modell Storlek (mm)
    A B C D E
    JD1510-0.3-01 1.5 1 0.3 5.5 1.5
    JD1315-0,35-01 1.3 1.5 0.35 3.5 0.3
    JD1515-0,4(4,5-0,5) 1.5 1.5 0.4 4.5 0.5
    JD1516-0.4-01 1.5 1.6 0.4 14.6 1
    JD1615-0,5(7-0,5) 1.6 1.5 0.5 7 0.5
    JD1619-0,5(8,7-3) 1.6 1.9 0.5 8.7 3
    JD1619-0,5(10,3-4,6) 1.6 1.9 0.5 10.3 4.6
    JD2016-0,5(4,5-0,6) 2 1.6 0.5 4.5 0.6
    JD2016-0.5(12-5.8) 2 1.6 0.5 12 5.8
    JD2020-0.5-01 2 2 0.5 5.2 0.5
    JD2044-0,5(6,3-0,4) 2 4.4 0.5 6.3 0.4
    JD1919-0,6(7,9-1,9) 1.9 1.9 0.6 7.9 1.9
    RF2010-0,7(6,0-3,0) 2 1 0.7 6 3
    JD2015-0,8(6,5-3) 2 1.5 0.8 6.5 3
    RF2016-0,8(6,6-4,5) 2 1.6 0.8 6.6 4.5
    JD2816-1(10,3-4,9) 2.8 1.6 1 10.3 4.9
  • Icke-50Ω Karakteristisk impedans-enkelkärna platt rund spets
    Icke-50Ω Karakteristisk impedans-enkelkärna platt rund spets
    Modell Storlek (mm)
    A B C D E
    RF1515-0,38(2,9-0,3) 1.5 1.5 0.38 2.9 0.3
    JD1614-0,5(17,9-0,5) 1.6 1.4 0.5 17.9 0.5
    JD1615-0,5(9-2,5) 1.6 1.5 0.5 9 2.5
    JD2016-0.7(8.1-4.5) 2 1.6 0.7 8.4 4.5
    JD2040-0,6(10-4,5) 2 4 0.6 10 4.5
    JD2016-0,7(9,1-2,5) 2 1.6 0.7 9.1 2.5
    JD2035-0.7(22-3) 2 3.5 0.7 22 3
  • Icke-50Ω Karakteristisk impedans - spikhuvud typ
    Icke-50Ω Karakteristisk impedans - spikhuvud typ
    Modell Storlek (mm)
    A B C D E F G
    JD1616-0,45(4,2-1,5) 1.4 1.5 4.2 0.45 1.6 0.8 0.3
    JD1614-0,45(6,2-0,8) 1.4 0.8 6.2 0.45 1.6 0.8 0.3
    JD1614-0,45(6,9-1,5) 1.4 1.5 6.9 0.45 1.6 0.8 0.2
    JD1620-0,45(7-1) 2 1 7 0.45 1.6 1 0.3
    JD1630-0,5(7,5-0,5) 3 0.5 7.5 0.5 1.6 0.6 0.2
    JD1630-0,5(10,5-0,5) 3 0.5 10.5 0.5 1.6 0.6 0.2
    JD1816-0,5(20-0,5) 1.6 0.5 20 0.5 1.8 0.7 0.3
    JD2020B 2 2 0.6 5.7 1
  • JP2016-0.7(7.1-1.5)
    JP2016-0.7(7.1-1.5)
    Modelll
    JP2016-0.7(7.1-1.5)

    Modelll Storlek (mm)
    A B C D E F G
    JD1614-0,45(6,9-1,5)-R 1.4 1.5 6.9 0.45 1.6 0.8 0.2
    JD1630-0,5(7,5-0,5)-R 3 0.5 7.5 0.5 1.6 0.6 0.2
  • Icke-50Ω Karakteristisk impedans - spikhuvud typ
    Icke-50Ω Karakteristisk impedans - spikhuvud typ
    Modell Storlek (mm)
    A B C D E F G
    JD1614-0,45(6,9-1,5)-R 1.4 1.5 6.9 0.45 1.6 0.8 0.2
    JD1630-0,5(7,5-0,5)-R 3 0.5 7.5 0.5 1.6 0.6 0.2
  • JD1516-0.4-02
    JD1516-0.4-02
    Modell
    JD1516-0.4-02
  • RF1816-0,8(6,6-4,5)-2
    RF1816-0,8(6,6-4,5)-2
    Modell
    RF1816-0,8(6,6-4,5)-2
  • 2-RF281515-0,38(2,9-0,3)
    2-RF281515-0,38(2,9-0,3)
    Modell
    2-RF281515-0,38(2,9-0,3)
  • 2-RF301516-0,5(5,85-1,5)
    2-RF301516-0,5(5,85-1,5)
    Modell
    2-RF301516-0,5(5,85-1,5)
  • JD301520-0,5-01
    JD301520-0,5-01
    Modell
    JD301520-0.5-01
  • JD301515-0,5-01
    JD301515-0,5-01
    Modell
    JD301515-0.5-01
  • JD201315-0.35-01
    JD201315-0.35-01
    Modell
    JD301515-0.5-01
  • JD271516-0.4-02
    JD271516-0.4-02
    Modell
    JD271516-0.4-02
  • JD271516-0.4-01
    JD271516-0.4-01
    Modell
    JD271516-0.4-01
  • JD2615-0,35-01
    JD2615-0,35-01
    Modell
    JD2615-0.35-01
  • 3-RF411515-0,38(2,9-0,3)
    3-RF411515-0,38(2,9-0,3)
    Modell
    3-RF411515-0,38(2,9-0,3)
  • 3-RF421516-0,5(5,85-1,5)
    3-RF421516-0,5(5,85-1,5)
    Modell
    3-RF421516-0.5(5.85-1.5)
  • JD261516-0.3-01
    JD261516-0.3-01
    Modell
    JD261516-0.3-01
  • JD391516-0.4-01
    JD391516-0.4-01
    Modell
    JD391516-0.4-01
  • JD2815-0,35-01
    JD2815-0,35-01
    Modell
    JD2815-0.35-01
  • RF3416-0,8(6,6-4,5)-4
    RF3416-0,8(6,6-4,5)-4
    Modell
    RF3416-0,8(6,6-4,5)-4
  • 4-RF3416-0,5(5,85-1,5)
    4-RF3416-0,5(5,85-1,5)
    Modell
    4-RF3416-0.5(5.85-1.5)
  • JD341315-0,35-01
    JD341315-0,35-01
    Modell
    JD341315-0.35-01
  • JD272716-0.4-01
    JD272716-0.4-01
    Modell
    JD272716-0.4-01
  • JD511516-0.4-01
    JD511516-0.4-01
    Modell
    JD511516-0.4-01
  • JD2016-0.3-01
    JD2016-0.3-01
    Modell
    JD2016-0.3-01
  • JD3115-0,35-01
    JD3115-0,35-01
    Modell
    JD3115-0.35-01
  • JD631516-0.4-01
    JD631516-0.4-01
    Modell
    JD631516-0.4-01
  • RF1816-0,8(6,6-4,5)-6
    RF1816-0,8(6,6-4,5)-6
    Modell
    RF1816-0,8(6,6-4,5)-6
  • 6-RF811515-0,5(0,5-8,2)
    6-RF811515-0,5(0,5-8,2)
    Modell
    6-RF811515-0,5(0,5-8,2)
  • 6-RF821515-0,5(5,5-2,5)
    6-RF821515-0,5(5,5-2,5)
    Modell
    6-RF821515-0,5(5,5-2,5)
  • JD501516-0.4-01
    JD501516-0.4-01
    Modell
    JD501516-0.4-01
  • 7-RF941515-0,5(5,5-2,5)
    7-RF941515-0,5(5,5-2,5)
    Modell
    7-RF941515-0,5(5,5-2,5)
  • JD1201515-0,5-01
    JD1201515-0,5-01
    Modell
    JD1201515-0.5-01
  • JMC-265-JH
    JMC-265-JH
    Modell
    JMC-265-JH
  • JD1201515-0,5-02
    JD1201515-0,5-02
    Modell
    JD1201515-0.5-02
  • RF1816-0,8(6,6-4,5)-9
    RF1816-0,8(6,6-4,5)-9
    Modell
    RF1816-0,8(6,6-4,5)-9
  • Icke-50Ω Karakteristisk impedans - Multi-Core
    Icke-50Ω Karakteristisk impedans - Multi-Core
    Modell Storlek (mm)
    A B C D E F G H ett genomdrag rad Uppsägning
    JD156018-0,3(27,2-0,8)-8 27.2 0.8 1.4 6 1.8 0.6 0.3 0 8 1 Innerledarens övre yta limning
    JD151152-0,3(4,5-1,5)-9 4.5 1.5 1.5 11.5 2 1.27 0.3 0 9 1 Lödning
    2-JD162020-0.3(5-1.7)-4 A1=5
    A2=3,6
    Bl=1,7
    B2=1
    1.6 2 2 0.57 0.3 0.57 4 2 Flat limning på båda sidor av innerledarna
    2-JD162020-0.3(7.6-1.7)-4 Al=7,6
    A2=3,6
    Bl=1,7
    B2=1
    1.6 2 2 0.57 0.3 0.56 4 2 Flat limning på båda sidor av innerledarändarna
    JD158215-0,38(7-0,8)-6 7 0.8 1.5 8.2 1.5 1.27 0.38 0 6 1 Ansiktsbindning på övre nagelhuvud
    JD153015-0,38(8-1,9)-2 8 1.9 1.5 3 1.5 1.27 0.38 0 2 1 Svetsad
    2-JD162525-0,38(10,6-3,5)-4 10.6 3.5 1.6 2.5 2.5 0.71 0.38 0.71 4 2 Lödning
    2-JD187425-0,38(3,8-1)-16 Al=3,8
    A2=5,2
    B1=1
    B2=1,7
    1.8 7.4 2.5
    4
    0.88 0.38 1.02 16 2 Innerledarändar tillplattade och bundna i sidled
    JD1510516-0,45(7,5-2)-8 7.5 2 1.5 10.5 1.6 1.27 0.45 0 8 1 Lödning
    JD155515-0,5(5,7-1,7}-4 5.7 1.7 1.5 5.5 1.5 1.27 0.5 0 4 1 Innerledare översida tillplattad limning
    JD1512015-0,5(5,8-2,5)-9 5.8 2.5 1.5 12 1.5 1.27 0.5 0 9 1 Nedre innerledare tillplattad sidobindning
    JD153015-0,5(7-0,5)-2 7 0.5 1.5 3 1.5 1.27 0.5 0 2 1 Limning av innerledarens ändar
  • Icke-50Ω Karakteristisk impedans - Multi-Core
    Icke-50Ω Karakteristisk impedans - Multi-Core
    Modell Storlek (mm)
    A B C D E F G H ett genomdrag rad Uppsägning
    JD153815-0,5(7,7-1,2)-2 7.7 1.2 1.5 3.8 1.5 2.1 0.5 0 2 1 Innerledare översida tillplattad limning
    JD153015-0,5(13,5-4)-2 13.5 4 1.5 3 1.5 1.27 0.5 0 2 1 Svetsning
    JD1613215-0,5(10,6-2)-10 10.6 2 1.6 13.2 1.5 1.27 0.5 0 10 1 Lödning
    JD302915-0,5(8-1)-2 8 1 3 2.9 1.5 1.27 0.5 0 2 1 Innerledarens övre yta limning
    2-JD165528-0,5(7,6-1)-8 7.6 1 1.6 5.5 2.8 1.07 0.5 0 8 2 Innerledarens övre yta limning
    2-JD154330-0,5(5,8-2)-5 Al=5,8
    A2=5,1
    B1=2
    B2=1,3
    1.5 4.3 3 1.27 0.5 1.5 5 2 Löd Ovansida tillplattning
    2-JD156830-0,5(5,8-2)-9 Al=5,8
    A2=5,1
    B1=2
    B2=1,3
    1.5 6.8 n 1.27 0.5 1.5 6 2 Svets Avplattning av innerledarens ovansida
    2-JD1512030-0.5(9.3-2.8)-18 Al=9,3
    A2=8
    Bl=2,8
    B2=1,5
    1.5 12 3 1.27 0.5 1.5 18 2 Svetsning Flattening of inner conductor ends
    3-JD155545-0,5(9,5-4)-12 Al=9,5
    A2=7,5
    A3=5,5
    B1=4
    B2=3
    B3=2
    1.5 5.5 4.5 1.27 0.5 1.5 12 3 Lödning
    2-JD207015-0.6(7-3)-10 A1=7
    A2=6
    B1=3
    B2=2
    2 7 1.5 1.27 0.6 1.5 10 2 Innerledare tillplattad och sammanfogad på båda sidor
    2-JD3012230-0,6(10,8-5)18 10.8 5 3 12.2 3 1.27 0.6 1.5 18 2 Nedre inre ledarsida tillplattad limning
  • JYZ22-0.45-02
    JYZ22-0.45-02
    Modell
    JYZ22-0.45-02

HÅLL KONTAKT

SKICKA
Om oss
Ningbo Hanson Communication Technology Co., Ltd.
Ningbo Hanson Communication Technology Co., Ltd.
Ningbo Hanson Communication Technology Co., Ltd. is China RF glasisolator Supplier and Custom RF glasisolator Company. We are a manufacturer specializing in the production, processing, and trade of communication components, with more than 30 years of experience in RF coaxial connectors, adapters, and cable assemblies. Företaget har nu utvecklat en egen bearbetningsverkstad, galvaniseringsverkstad, monteringsverkstad och en grupp stabila och pålitliga leverantörer. Företagets syfte är att förse kunderna med produkter av hög kvalitet. De viktigaste produkterna är RF-koaxialkontakter, adaptrar, högfrekvenskabelenheter och kabelenheter med låg intermodulation. Dessutom kan företaget även tillhandahålla tjänster till kunder med anpassade behov för att möta kundernas speciella krav på produkter. Företagets produkter används i stor utsträckning inom flyg-, kommunikationsbasstationer, medicinsk utrustning och andra högteknologiska områden. Vid tidpunkten för företagsreformer, innovation, utveckling och tillväxt tog företaget initiativet att gå med i det internationella kvalitetsledningssystemet ISO9001 och förbättrade kontinuerligt ledningsnivån för att tillhandahålla mer tillfredsställande produkter och tjänster till nya och gamla kunder.
Senaste nyheterna
Letar du efter affärsmöjlighet?

Begär ett samtal idag