OEM N type RF Coaxial Connector Supplier

Ningbo Hanson Communication Technology Co., Ltd. Hem / Produkter / RF koaxial kontakt / N-typ RF koaxialkontakt

N-typ RF koaxialkontakt

Beskrivning:

RF-koaxialkontakten av N-typ är en RF-koaxialkontakt med en gängad anslutningsmekanism utvecklad och producerad i enlighet med den amerikanska militärstandarden MIL-C-39012. Den har egenskaperna bred bandbredd, bra stötbeständighet, hög tillförlitlighet och utmärkt prestanda, och används ofta i mikrovågskommunikation och mätsystem. Den karakteristiska impedansen för RF-koaxialkontakten av N-typ som tillverkas av vår fabrik är uppdelad i två typer: 50Ω och 75Ω.

Parameter:

Huvudsakliga tekniska specifikationer:
◆ Karakteristisk impedans: 50Ω/75Ω
◆ Frekvensområde: DC-18GHz(50Ω)/DC-3GHz(75Ω)
◆ Isolationsmotstånd: ≥5000MΩ
◆ Dielektrisk motståndsspänning: 1500V(rms)
◆ Spännings stående vågförhållande (VSWR): ≤1,30
◆ Parningscykler: 500 gånger

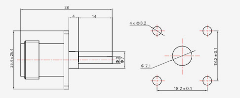
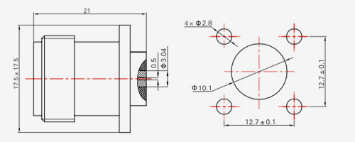
Fråga

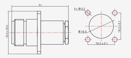
Dämpa
Ltr
tum (mm)
Min. Max.
A .336 (8,53) .344 (8,74)
B .316 (8,03) .320 (8.13)
C .356 (9,04) .362 (9,19)
D .187 (4,75) .207 (5,26)
E ------- .627 (15,93)
F .119 (3,02) .124 (3,15)
G .422 (10,72) -------
H .172 (4,37) .220 (5,59)
J .047 (1,19) .077 (1,96)
K .047 (1,19) .077 (1,96)
L .187 (4,75) .207 (5,26)
N .210 (5,33) -------

Anmärkningar:
1. Detta gränssnitt ska uppfylla måttkraven som specificeras i
MIL-PRF-39o12/2.
2. Spelrum för passande kopplingsmutter.
3. För att möta VSwR, parningsegenskaper, kontaktmotstånd och
kopplingens hållbarhet när den är sammankopplad med en stift av diameter 063/066.

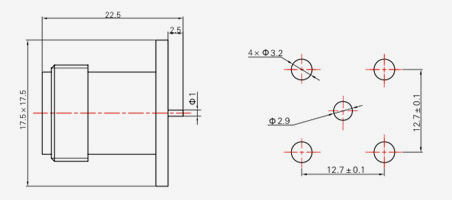
Dämpa
Ltr
tum (mm)
Min. Max.
A 1,740 (44,20) 1,760 (44,70)
B 1,537 (39,04) 1,543 (39,19)
C 1,060 (26,92) 1,064 (27,03)
D .964 (24.49) .974 (24.74)
E .194 (4,93) .196 (4,98)
F .836 (21.23) .856 (21,74)
G .372 (9,45) .392 (9,96)
H .271 (6,88) .291 (7,39)
J 551 (14.00) .571 (14,50)
K .370 (9.40) .380 (9,65)
L 0,001 (0,03) .013 (0,33)

Anmärkningar:
1. Detta gränssnitt ska uppfylla måttkraven som specificeras i MIL-PRF-39012/44.

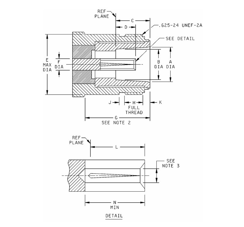
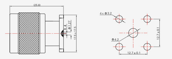
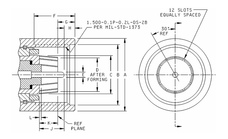
Dämpa
Ltr
tum (mm)
Min. Max.
A 1,404 (35,66) 1,408 (35,76)
B 1,100 (27,94) 1,120 (28,45)
C 1 998 (50,75) 1,002 (25,45)
D 936 (23,77) .940 (23.88)
E .191 (4,85) .195 (4,95)
F .763 (19.38) .783 (19.89)
G .465 (11.81) .485 (12.32)
H .062 (1,57) Referens
J .302 (7,67) .322 (8.18)
K .302 (7,67) .322 (8.18)
L 0,001 (0,03) .013 (0,33)
M .490 (12.45) .510 (12,95)
N .240 (6.10) 260 (6,60)
P .187 (4,75) .189 (4,80)
R .014 (0,36) .018 (0,46)

Anmärkningar:
1. Detta gränssnitt ska uppfylla måttkraven som specificeras i MIL-PRF-39012/45.

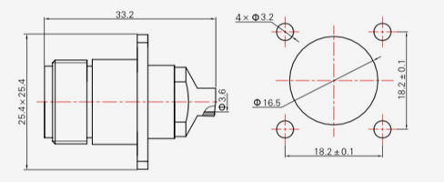
N SERIES
  • N-JB2
    N-JB2
    Modell Kabeltyp d
    N-JB2 SFT-50-2,670-086 Φ2.2
    N-JB3 SFT-50-3,670-141 Ф3,6
  • N-JB3-1
    N-JB3-1
    Modell Kabeltyp L
    N-JB3-1 SFT-50-3,670-141 17.6
    N-JB3A-1 SFT-50-3,670-141 16.5
  • N-KB3
    N-KB3
    Modell Kabeltyp
    N-KB3 SFT-50-3,670-141
  • N-KFB3
    N-KFB3
    Modell Kabeltyp
    N-KFB3 SFT-50-3,670-141
  • N-KYB3
    N-KYB3
    Modell Kabeltyp
    N-KYB3 SFT-50-3,670-141
  • N-J3
    N-J3
    Modell Kabeltyp
    N-J3 SYV-50-2-1,RG316
    N-J4 SYV-50-2-2
  • N-J5
    N-J5
    Modell Kabeltyp L
    N-J5 SYV-50-3, RG142, SFCJ-50-3-51 33
    N-J5C SYV-50-3, RG142, SFCJ-50-3-51 33
    N-J7 SYV-50-5-1, SFCJ-50-5-51 36
    N-J10 SYV-50-7-1, SYV-50-7-2, SFCJ-50-7-51 36
  • N-J5.3
    N-J5.3
    Modell Kabeltyp
    N-J5.3 32055,205,GNB415
  • N-J311
    N-J311
    Modell Kabeltyp
    N-J311 FFB311A
  • N-J10-1
    N-J10-1
    Modell Kabeltyp
    N-J10-1 SFCJ-50-7-51
  • N-JW5
    N-JW5
    Modell Kabeltyp
    N-JW5 SFCJ-50-3-51,SYV-50-3-4,RG142
    N-JW7 SFCJ-50-5-51, SYV-50-5-1
    N-JW10 SFCJ-50-7-51,SYV-50-7-2
  • N-JW8A
    N-JW8A
    Modell Kabeltyp
    N-JW8A FFB311A,SYV-50-5
    N-JW12A SYV-75-3
    N-JW13A SYV-75-5
  • N-K3
    N-K3
    Modell Kabeltyp
    N-K3 SYV-50-2-1,RG316
  • N-K5
    N-K5
    Modell Kabeltyp L
    N-K5 SYV-50-3, RG142, SFCJ-50-3-51 36
    N-K7 SYV-50-5-1, SFCJ-50-5-51 38
    N-K10 SYV-50-7-1,SFCJ-50-7-51 38
  • N-KF5
    N-KF5
    Modell Kabeltyp L
    N-KF5 SYV-50-3, RG142, SFCJ-50-3-51 36
    N-KF7 SYV-50-5-1, SFCJ-50-5-51 38
    N-KF10 SYV-50-7-1,SFCJ-50-7-51 38
  • N-KF3A
    N-KF3A
    Modell Kabeltyp L
    N-KF3A SYV-50-2-1,RG316 33
    N-KF5A SYV-50-3-4,RG142 42
  • N-KY3Y
    N-KY3Y
    Modell Kabeltyp
    N-KY3Y SYV-50-2-1,RG316
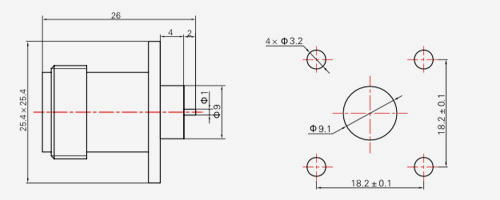
  • N-KFD
    N-KFD
    Modell L L1 L2
    KFD 26 4 2
    KFD2 31 6 5
    KFD15 30 6 4
    KFD16 28.5 6 2.5
    KFD17 28 6 2
    KFD18 29 5 4
    KFD19 29 4 5
    KFD20 33 4 9
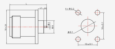
  • N-KF
    N-KF
  • N-JFD1
    N-JFD1
  • N-JFD2
    N-JFD2
  • N-JFD3
    N-JFD3
  • N-JFD23
    N-JFD23
  • N-KFD1
    N-KFD1
  • N-KFD7
    N-KFD7
  • N-KFD11
    N-KFD11
  • N-KFD50
    N-KFD50
  • N-KFD-Z
    N-KFD-Z
  • N-KFD9
    N-KFD9
  • N-KFD14
    N-KFD14

HÅLL KONTAKT

SKICKA
Om oss
Ningbo Hanson Communication Technology Co., Ltd.
Ningbo Hanson Communication Technology Co., Ltd.
Ningbo Hanson Communication Technology Co., Ltd. is China N type RF Coaxial Connector Supplier and Custom N type RF Coaxial Connector Company. We are a manufacturer specializing in the production, processing, and trade of communication components, with more than 30 years of experience in RF coaxial connectors, adapters, and cable assemblies. Företaget har nu utvecklat en egen bearbetningsverkstad, galvaniseringsverkstad, monteringsverkstad och en grupp stabila och pålitliga leverantörer. Företagets syfte är att förse kunderna med produkter av hög kvalitet. De viktigaste produkterna är RF-koaxialkontakter, adaptrar, högfrekvenskabelenheter och kabelenheter med låg intermodulation. Dessutom kan företaget även tillhandahålla tjänster till kunder med anpassade behov för att möta kundernas speciella krav på produkter. Företagets produkter används i stor utsträckning inom flyg-, kommunikationsbasstationer, medicinsk utrustning och andra högteknologiska områden. Vid tidpunkten för företagsreformer, innovation, utveckling och tillväxt tog företaget initiativet att gå med i det internationella kvalitetsledningssystemet ISO9001 och förbättrade kontinuerligt ledningsnivån för att tillhandahålla mer tillfredsställande produkter och tjänster till nya och gamla kunder.
Senaste nyheterna
Letar du efter affärsmöjlighet?

Begär ett samtal idag